EN CN
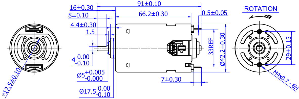
JBSA7524M

JBSA7524M

用途:

产品介绍:

产品详情