EN CN
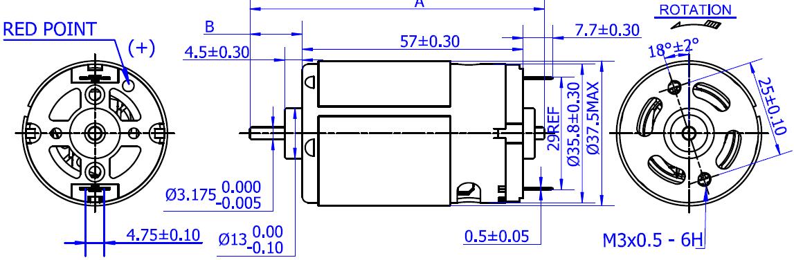
JBSD550P

JBSD550P

用途:

产品介绍:

产品详情